意昂体育

密封圈

新闻分类

产品分类

热门关键词

联系意昂体育


  东莞市意昂体育 科技有限公司
  手机:13450082237
  电话:0769-22210391
  传真:0769-22217692

       网址:www.658bxw.com

  邮箱:13450082237@163.com
  地址:广东省东莞市东城街道桑园社区银贵路6号

华尔卡密封件规格表_东莞市意昂体育 科技有限公司

您的当前位置: 首 页 > 新闻动态 > 行业动态 > 华尔卡密封件规格表_东莞市意昂体育 科技有限公司

华尔卡密封件规格表_东莞市意昂体育 科技有限公司

发布日期:2018-08-16 00:00:00 作者: 点击:0

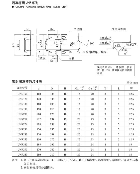
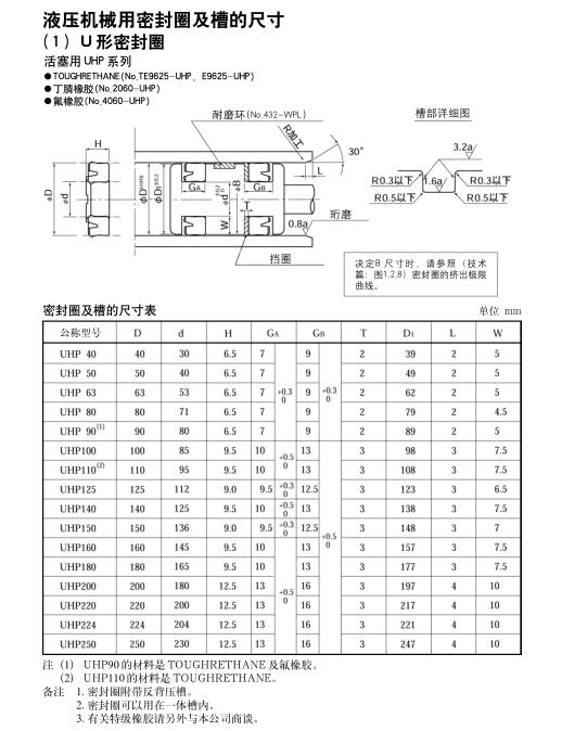
    华尔卡密封件系列密封圈,孔轴两用UHS系列、孔轴两用UNS系列、活塞用UHP系列、活塞用UNP系列、活塞杆用UHR系列、活塞杆用UNR系列、防尘圈DHS系列。

    如需要详细价格,请致电我司咨询。

相关标签:华尔卡密封件规格表_东莞市意昂体育 科技有限公司

东莞市意昂体育
科技有限公司

contact us

东莞市意昂体育 科技有限公司

东莞市意昂体育 科技有限公司

全国服务热线:0769-22210391

手机(Tel):13450082237

传真(Fax):0769-22217692

网址:658bxw.com

地址(Add):广东省东莞市东城街道桑园社区银贵路6号

service

0769-22210391分机802

服务热线


技术支持:技术支持:  |  主营区域: 备案号:
在线客服
二维码

扫描二维码

分享