意昂体育

密封圈

产品分类

热门关键词

联系意昂体育


  东莞市意昂体育 科技有限公司
  手机:13450082237
  电话:0769-22210391
  传真:0769-22217692

       网址:www.658bxw.com

  邮箱:13450082237@163.com
  地址:广东省东莞市东城街道桑园社区银贵路6号

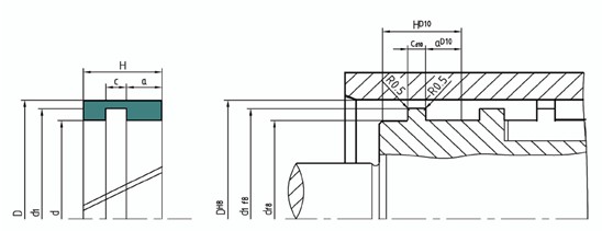
FA支撑导向环

您的当前位置: 首 页 > 产品展示 > 导向环 > FA支撑导向环

FA支撑导向环

详细介绍

1.标准材料

尼龙PA、聚甲醛POM及填充聚四氟乙烯F-PTFE

FA导向元件.jpg

2.应用范围

 --活塞用非金属导向套,对活塞起支承与导向作用。

设计选用时可参考Hunger公司FA系列标准。

 

3.特性及优点

1.容易安装、牢靠;

2.金属/塑料材料配对防止了“滞塞”和“咬死”现象;

3.良好的减振性(径向振动)。


相关标签:FA支撑导向环

上一篇:耐磨带
下一篇:FI支撑导向环

东莞市意昂体育
科技有限公司

contact us

东莞市意昂体育 科技有限公司

东莞市意昂体育 科技有限公司

全国服务热线:0769-22210391

手机(Tel):13450082237

传真(Fax):0769-22217692

网址:658bxw.com

地址(Add):广东省东莞市东城街道桑园社区银贵路6号

service

0769-22210391分机802

服务热线


技术支持:技术支持:  |  主营区域: 备案号:
在线客服
二维码

扫描二维码

分享