意昂体育

密封圈

产品分类

热门关键词

联系意昂体育


  东莞市意昂体育 科技有限公司
  手机:13450082237
  电话:0769-22210391
  传真:0769-22217692

       网址:www.658bxw.com

  邮箱:13450082237@163.com
  地址:广东省东莞市东城街道桑园社区银贵路6号

2K型特康斯特封

您的当前位置: 首 页 > 产品展示 > 轴用密封(活塞杆密封) > 2K型特康斯特封

2K型特康斯特封

详细介绍

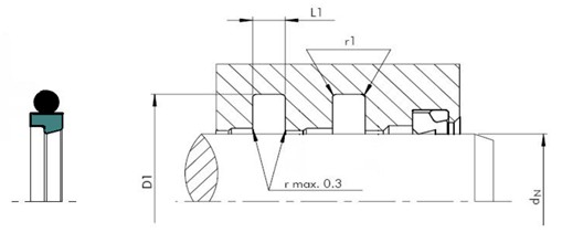
1.2K型特康斯特封标准材料:

密封体(密封环):填充聚四氟乙烯F-PTFE和聚氨脂密封环

弹性体O形圈:丁腈橡胶NBR或氟橡胶(FKM,FPM)

GSJ阶梯封,2K型特康斯特封,OMS-MR斯特封,C145拉杆封.jpg

2.应用范围

GSJ型轴用斯特封一般应用在液压往复运动系统。适合在高、中、低压及重载,高频工况下的密封场合非常出色。适合各种行程及范围较广的流体和高温场合,可适用较大的活塞杆间隙。

 

适用环境:

例如用在:推土机,挖掘机,锻压机,陶瓷压砖机,轧钢机,伺服阀及机床等。

参考标准:

符合GB/T 15242.1-94及GB/T 15242.3-94标准。可参考Trelleborg公司RS1系列,Merkel公司OMS-MR 和Parker公司OD系列标准等。

 

 

 

3. 特性及优点

 

1.沟槽结构简单,有无润滑均可工作,并且寿命长;

2.摩擦力小,无爬行,粘滞现象;

3.尺寸稳定,不受温度影响;

4.良好的动静密封性能并且安装简单;

5.抗挤出性好,不会发生困压,可多只串联安装;

6.对强冲击压力有优异的缓冲作用。


相关标签:2K型特康斯特封

上一篇:TFMI活塞杆密封
下一篇:TDMI活塞杆密封

东莞市意昂体育
科技有限公司

contact us

东莞市意昂体育 科技有限公司

东莞市意昂体育 科技有限公司

全国服务热线:0769-22210391

手机(Tel):13450082237

传真(Fax):0769-22217692

网址:658bxw.com

地址(Add):广东省东莞市东城街道桑园社区银贵路6号

service

0769-22210391分机802

服务热线


技术支持:技术支持:  |  主营区域: 备案号:
在线客服
二维码

扫描二维码

分享