东莞市意昂体育
科技有限公司
手机:13450082237
电话:0769-22210391
传真:0769-22217692
网址:www.658bxw.com
邮箱:13450082237@163.com
地址:广东省东莞市东城街道桑园社区银贵路6号
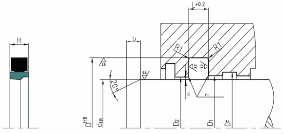
1.OMSS重载斯特封标准材料:
密封体(密封环):填充聚四氟乙烯F-PTFE
弹性体O形圈:丁腈橡胶NBR或聚氨脂 PU

2.应用范围
由一个带PTFE异形截面滑环和一个作为预加载元件的矩形圈组成的双组合密封件。特别适合用于用作较大活塞杆直径和工况条件十分苛刻的重载荷液压缸活塞杆密封系统。
3.适用场合:
例如用在注塑机、冶金机械、船用液压设备、液压机、工程机械、起重机、液压控制系统等。
4.参考标准:
Merkel公司OMS-S产品标准。
5.特性及优点
1.高的耐摩损性
2.抗间隙挤出的能力强
3.高耐压特性
4.低摩擦,不会造成“液压爬行”。
5.采用防扭曲设计,工作性能稳定。
6.橡胶的弹性具有高的接触压力,抗压效果好。
