东莞市意昂体育
科技有限公司
手机:13450082237
电话:0769-22210391
传真:0769-22217692
网址:www.658bxw.com
邮箱:13450082237@163.com
地址:广东省东莞市东城街道桑园社区银贵路6号
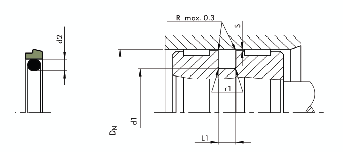
孔用2K型特康斯特封标准材料
密封环:填充聚四氟乙烯F-PTFE
O形圈:丁腈橡胶NBR或氟橡胶FKM
特点
-良好的动静密封性能
-抗挤出性好
-尺寸稳定,不受温度影响
-不会发生困压,可多只安装
-对强冲击系统有优异的缓冲的作用
-摩擦力小,无爬行现象,无粘现象
-耐腐蚀性强
-沟槽结构简单
-寿命长
工况条件


