东莞市意昂体育
科技有限公司
手机:13450082237
电话:0769-22210391
传真:0769-22217692
网址:www.658bxw.com
邮箱:13450082237@163.com
地址:广东省东莞市东城街道桑园社区银贵路6号
1. 标准材料
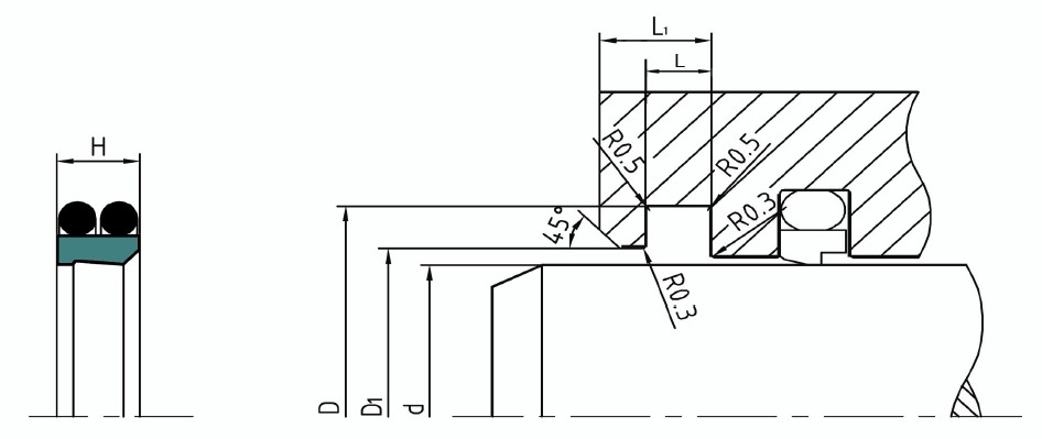
异形圈:填充聚四氟乙烯F-PTFE或聚氨酯PU
O形圈:丁腈橡胶NBR或氟橡胶FKM

2. 应用范围
--由一个带密封刃口和防尘刃口的异行圈以及2个O形圈组成的JPT1防尘圈用于改善整体密封性,具有低摩擦,无粘滑现象。在工作中有极好的调节和定位能力。可用于农业机械、液压机、注塑机、液压控制系统、叉车、起重机、滚轧、装卸机械等设备。
设计时可参考Trelleborg公司WEMHF系列、Merkel公司PT1系列标准。
3. 特性及优点
1.低摩擦,低粘性摩擦;
2.可靠性高,在短时间内能接受满负荷的工作压力;
3.在工作出过程中有极好的调节和定位能力;
4.对于行程短和频率高条件下使用的防尘圈可以变换材料定做;
5.双唇口防尘圈用于改善整体密封性。