东莞市意昂体育
科技有限公司
手机:13450082237
电话:0769-22210391
传真:0769-22217692
网址:www.658bxw.com
邮箱:13450082237@163.com
地址:广东省东莞市东城街道桑园社区银贵路6号
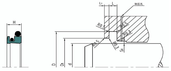
1. 标准材料
异形圈:填充聚四氟乙烯F-PTFE或聚氨酯PU
O形圈:丁腈橡胶NBR或氟橡胶FKM

2. 应用范围
--由一个带密封刃口和防尘刃口的异行圈以及2个作为预加载元件的O形圈组成的PT2防尘圈具有卓越的刮尘效果,低摩擦,无粘滑现象。可用于液压机、注塑机、滚压机、冶金机械等设备。
设计时可参考Trelleborg公司WEMHG系列、Merkel公司PT2系列标准。
3. 特性及优点
1.特别适用于大直径活塞杆;
2.低摩擦,低粘性摩擦;
3.对于行程短和频率高条件下使用的防尘圈可以变换材料定做;
4.在工作出过程中有极好的调节和定位能力。