意昂体育

密封圈

产品分类

热门关键词

联系意昂体育


  东莞市意昂体育 科技有限公司
  手机:13450082237
  电话:0769-22210391
  传真:0769-22217692

       网址:www.658bxw.com

  邮箱:13450082237@163.com
  地址:广东省东莞市东城街道桑园社区银贵路6号

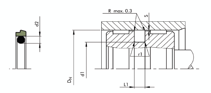
孔用2K型特康斯特封

您的当前位置: 首 页 > 产品展示 > 孔用密封(活塞密封) > 孔用2K型特康斯特封

孔用2K型特康斯特封

详细介绍

孔用2K型特康斯特封标准材料

 密封环:填充聚四氟乙烯F-PTFE

 O形圈:丁腈橡胶NBR或氟橡胶FKM

 

  

 特点

-良好的动静密封性能

 -抗挤出性好

-尺寸稳定,不受温度影响

-不会发生困压,可多只安装

-对强冲击系统有优异的缓冲的作用

-摩擦力小,无爬行现象,无粘现象

-耐腐蚀性强

-沟槽结构简单

-寿命长

 

 

  工况条件

 

 

GSD (2).jpg

相关标签:孔用2K型特康斯特封

上一篇:YXD活塞密封
下一篇:OMK-S重载格莱圈

东莞市意昂体育
科技有限公司

contact us

东莞市意昂体育 科技有限公司

东莞市意昂体育 科技有限公司

全国服务热线:0769-22210391

手机(Tel):13450082237

传真(Fax):0769-22217692

网址:658bxw.com

地址(Add):广东省东莞市东城街道桑园社区银贵路6号

service

0769-22210391分机802

服务热线


技术支持:技术支持:  |  主营区域: 备案号:
在线客服
二维码

扫描二维码

分享