意昂体育

密封圈

产品分类

热门关键词

联系意昂体育


  东莞市意昂体育 科技有限公司
  手机:13450082237
  电话:0769-22210391
  传真:0769-22217692

       网址:www.658bxw.com

  邮箱:13450082237@163.com
  地址:广东省东莞市东城街道桑园社区银贵路6号

格来圈

您的当前位置: 首 页 > 产品展示 > 孔用密封(活塞密封) > 格来圈

格来圈

详细介绍

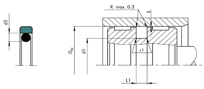
1.格来圈标准材料

密封环:填充聚四氟乙烯F-PTFE

0形圈:丁腈橡胶NBR或氟橡胶FKM

GSF格来圈-特康格来圈-OE格来圈-日企格来圈-SPGO.jpg

GSF格来圈,特康格来圈,OE格来圈

2.应用范围

液压系统、往复运动,在高压和低压及高频工况下的重载双向活塞密封场合非常出色。适用在长及短行程的情况,并在范围较大的流体和高温场合,可适合较大的活塞间隙。例如用在注塑机、推土机、农业机械、压机和其他机床等。

符合ISO 7425/1 GB/T1542.1-94 GB/T15242.3-94标准。设计时可参照Trelleborg公司PG4系列、Merkel公司OMK-MR系列、Parker公司OE系列、AS公司的YB系列标准。

 

3.特性及优点

1.沟槽简单,可用于整体式活塞。

2.摩擦力小,无爬行现象。

3.静密封性能非常好。

4.由于较大的挤出间隙,在有污物的介质中也可安全使用。

5.由于可采用较多的材料,所以对工作条件的适应性强。

6.可允许较大的挤出间隙,视应用场合而定,故可降低加工费用。

7.适于最新环保安全的液压液(生物油)。

GSF格来圈 - 副本.jpg

相关标签:格来圈

上一篇:SPGW活塞密封
下一篇:OMK-5活塞密封

东莞市意昂体育
科技有限公司

contact us

东莞市意昂体育 科技有限公司

东莞市意昂体育 科技有限公司

全国服务热线:0769-22210391

手机(Tel):13450082237

传真(Fax):0769-22217692

网址:658bxw.com

地址(Add):广东省东莞市东城街道桑园社区银贵路6号

service

0769-22210391分机802

服务热线


技术支持:技术支持:  |  主营区域: 备案号:
在线客服
二维码

扫描二维码

分享