东莞市意昂体育
科技有限公司
手机:13450082237
电话:0769-22210391
传真:0769-22217692
网址:www.658bxw.com
邮箱:13450082237@163.com
地址:广东省东莞市东城街道桑园社区银贵路6号
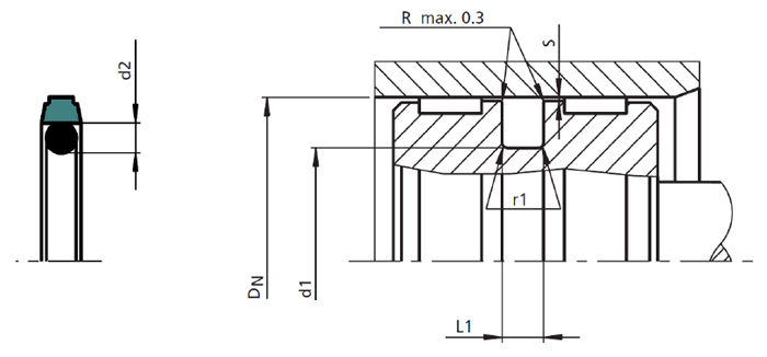
1.T型格来圈 T型特康格来圈标准材料:
密封体(密封环):填充聚四氟乙烯F-PTFE和聚氨脂密封环
弹性体O形圈:丁腈橡胶NBR或氟橡胶(FKM,FPM)

2.应用范围
轴用格来圈一般在液压往复运动环境作业。正确使用可以可在高、中、低压及重载、高频工况下的活塞杆密封场合非常出色。T型轴用格来圈特别适用在长行程的情况,并在范围较广的流体和高温场合,可适用较大的活塞杆间隙。例如用在(挖掘机、推土机、锻压机、陶瓷压砖机、轧钢机、伺服阀和其它机床)等设备中得到广泛的应用。
3.参考标准:
DPT型轴用格来圈设计选用时可参考Trelleborg公司PT系列标准等。
4.特性及优点
1.沟槽简单,可用于整体式活塞。
2.摩擦力小,无爬行现象。
3.静密封性能非常好。
4.由于较大的挤出间隙,在有污物的介质中也可安全使用。
5.由于可采用较多的材料,所以对工作条件的适应性强。
6.可允许较大的挤出间隙,视应用场合而定,故可降低加工费用。
7.适于最新环保安全的液压液(生物油)。