东莞市意昂体育
科技有限公司
手机:13450082237
电话:0769-22210391
传真:0769-22217692
网址:www.658bxw.com
邮箱:13450082237@163.com
地址:广东省东莞市东城街道桑园社区银贵路6号
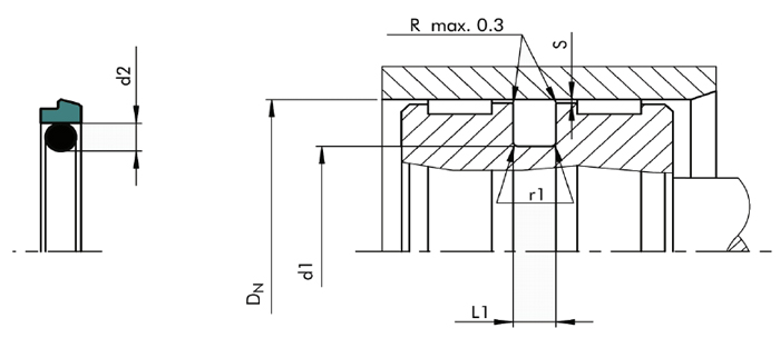
1.OMK-E活塞密封标准材料
密封环:填充聚四氟乙烯F-PTFE
O形圈:丁腈橡胶NBR或氟橡胶FKM

2.应用范围
液压系统、往复运动,在高压和低压及高频工况下的重载双向活塞密封场合非常出色。适用在长及短行程的情况,并在范围较广的流体和高温场合,可适用较大的活塞间隙。例如用在推土机、压机和其它机床等。
符合ISO 7425/1标准。设计选用时可参考Trelleborg公司PS系列、Merkel公司OMK-E系列、Parker公司OG系列、AS公司的YAB系列标准。
3.特性及优点
1.沟槽结构简单,有无润滑均可工作,并且寿命长。
2.摩擦力小,无爬行,粘滞现象
3.尺寸稳定,不受温度影响
4.良好的动静密封性能并且安装简单。
5.抗挤出性好,不会发生困压,可多只串联安装。
6.对强冲击压力有优异的缓冲作用

