东莞市意昂体育
科技有限公司
手机:13450082237
电话:0769-22210391
传真:0769-22217692
网址:www.658bxw.com
邮箱:13450082237@163.com
地址:广东省东莞市东城街道桑园社区银贵路6号
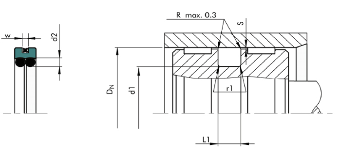
1.AQF星型组合密封标准材料
密封体:填充聚四氟乙烯F-PTFE
0形圈:丁腈橡胶NBR或氟橡胶FKM
星形圈:丁腈橡胶NBR或氟橡胶FKM

2. 概 述
DAQ2活塞密封是在动密封表面安装了有限接触点的星形圈弹性体,以实现两种介质间,如液/气的用0形圈施力以改善密封性能。它结合了密封体材料所具有的低摩擦性能以及橡胶弹性体的良好密封性能,这种优化设计大大降低了摩擦力,并且使泄漏得以最小化。
3. 应用范围
DAQ2活塞密封保存了聚四氟乙烯密封件的低摩擦,耐高压,高速度的特点,又具有橡胶的密封特性,适合于一些速度较快压力高且需保压的场合。
可作为双向运动的活塞式蓄能器以及位置控制油缸,夹持油缸等的密封元件,可用于机床,压机,轧机,鞋机,活塞式蓄能器,重型悬挂油缸等。特别推荐用于重载及大直径应用场合。
设计选用时请参考Trelleborg公司AQ5系列标准。
4. 特性及优点
1.良好的动静密封性能;
2.具有保压功能,油缸内泄漏小;
3.滑动性能好,无爬行;
4.适于新环保安全的液压液(生物油);
5.由于可采用较多种类的材料,所以对工作条件的适应性强;
6.集低摩擦与高弹性于一身,具有双重安全性;
7.沟槽设计简单,安装空间小。沟槽尺寸符合ISO 7425/1,可与格来圈、斯特封等互换;
8.可允许较大的挤出间隙,视应用场合而定,故可降低加工费用;
9.在需要将两种介质分离(例如:流体/流体或流体/气体)的场合,气体渗透率低,密封效率高。
