意昂体育

密封圈

产品分类

热门关键词

联系意昂体育


  东莞市意昂体育 科技有限公司
  手机:13450082237
  电话:0769-22210391
  传真:0769-22217692

       网址:www.658bxw.com

  邮箱:13450082237@163.com
  地址:广东省东莞市东城街道桑园社区银贵路6号

T型格来圈 T型特康格来圈

您的当前位置: 首 页 > 产品展示 > 孔用密封(活塞密封) > T型格来圈 T型特康格来圈

T型格来圈 T型特康格来圈

详细介绍

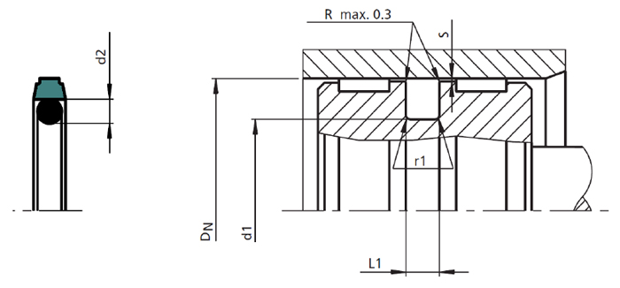
1.T型格来圈 T型特康格来圈标准材料:

密封体(密封环):填充聚四氟乙烯F-PTFE和聚氨脂密封环

弹性体O形圈:丁腈橡胶NBR或氟橡胶(FKM,FPM)

T型孔用格莱圈 T型格来圈 T型特康格来圈.jpg

2.应用范围

轴用格来圈一般在液压往复运动环境作业。正确使用可以可在高、中、低压及重载、高频工况下的活塞杆密封场合非常出色。T型轴用格来圈特别适用在长行程的情况,并在范围较广的流体和高温场合,可适用较大的活塞杆间隙。例如用在(挖掘机、推土机、锻压机、陶瓷压砖机、轧钢机、伺服阀和其它机床)等设备中得到广泛的应用。

 

3.参考标准:

DPT型轴用格来圈设计选用时可参考Trelleborg公司PT系列标准等。

 

4.特性及优点

1.沟槽简单,可用于整体式活塞。

2.摩擦力小,无爬行现象。

3.静密封性能非常好。

4.由于较大的挤出间隙,在有污物的介质中也可安全使用。

5.由于可采用较多的材料,所以对工作条件的适应性强。

6.可允许较大的挤出间隙,视应用场合而定,故可降低加工费用。

7.适于最新环保安全的液压液(生物油)。


相关标签:T型格来圈 T型特康格来圈

东莞市意昂体育
科技有限公司

contact us

东莞市意昂体育 科技有限公司

东莞市意昂体育 科技有限公司

全国服务热线:0769-22210391

手机(Tel):13450082237

传真(Fax):0769-22217692

网址:658bxw.com

地址(Add):广东省东莞市东城街道桑园社区银贵路6号

service

0769-22210391分机802

服务热线


技术支持:技术支持:  |  主营区域: 备案号:
在线客服
二维码

扫描二维码

分享