东莞市意昂体育
科技有限公司
手机:13450082237
电话:0769-22210391
传真:0769-22217692
网址:www.658bxw.com
邮箱:13450082237@163.com
地址:广东省东莞市东城街道桑园社区银贵路6号
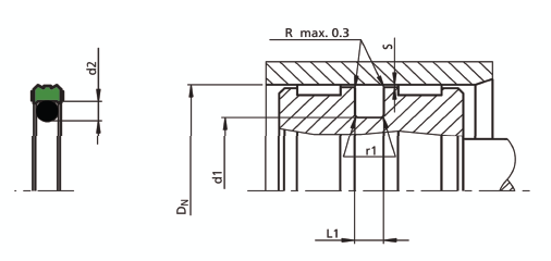
佐康® 威士密封标准材料
密封环:聚氨酯PU
O形圈:丁腈橡胶NBR
特点
-静态和动态密封效果好
-耐磨性好
-沟槽结构简单,整体式活塞
工况条件
速 度 | 压力范围 | 温度范围 | 介 质 | 可提供直径范围 |
0.5m/s | 0~40MPa | -45℃ +110℃ | 矿物液压油 | 12-400mm |

