东莞市意昂体育
科技有限公司
手机:13450082237
电话:0769-22210391
传真:0769-22217692
网址:www.658bxw.com
邮箱:13450082237@163.com
地址:广东省东莞市东城街道桑园社区银贵路6号
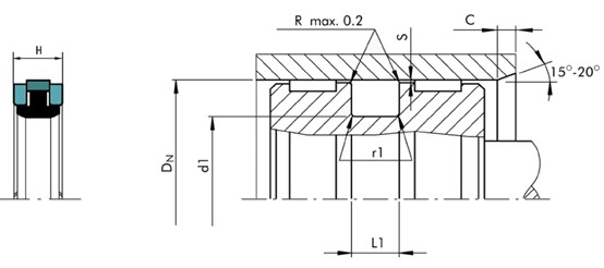
1.SPGW活塞密封标准材料
密封体:填充聚四氟乙烯或聚氨酯PU
弹性体:丁腈橡胶NBR
挡 圈:尼龙PA或聚甲醛POM

2.应用范围
液压往复运动系统。在高压工况下的重载双向活塞密封场合非常出色。特别适合长行程及范围较广的流体和高温场合,可适用较大的活塞间隙。主要应用于重载或工程机械的油缸活塞密封具有良好的泄漏控制、抗挤出性和耐损性能,如:挖掘机、重型液压缸等。
设计选用时可参考Trelleborg公司PHD系列、NOK公司SPGW系列、Parker公司的Y3系列、AS公司KHD系列标准。
3.特性及优点
1.沟槽结构简单;
2.由于较大的挤出间隙,在有污物的介质中可安全使用;
3.启动时不爬行,工作平稳;
4.可允许较大的挤出间隙;
5.使用寿命长;
6.静态和动态的摩擦系数低磨损小;
7.良好的动静密封性能。
